|
<< Click to Display Table of Contents >> Navigation: Mechanical Air & Vapor Eliminators > Specifications |
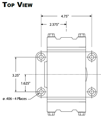
For use with aluminum M-5, M-7, M-10, M-15, M-25, M-30, M-40, M-60 and M-80 meters. Typically installed with aluminum F7, F15, and F30 strainers.
•Working Pressure = 150 PSI •Typical Products are Refined Fuels
NOTE: Consult the factory when certified engineering drawings are required. Dimensions shown are not suitable for construction or modifications.
|
![]() |

For use with aluminum MA-4, MA-5, and MA-7 and MA-15 meters. Typically installed with the aluminum FA7 strainer.
•Working Pressure = 350 PSI •Typical products are LPG and Anhydrous Ammonia
NOTE: Consult the factory when certified engineering drawings are required. Dimensions shown are not suitable for construction or modifications.
|
![]() |

For use with cast iron M-7 meters. Typically installed with the cast iron F7 strainers.
•Working Pressure = 150 PSI •Typical products are Chlorinated Solvents
NOTE: Consult the factory when certified engineering drawings are required. Dimensions shown are not suitable for construction or modifications.
|
![]() |

For use with stainless steel M-5 class 8 and M-7 class 8 meters. Installed with stainless steel F7 class 8 strainers.
•Working Pressure = 150 PSI •Typical products are Acidic Solutions
NOTE: Consult the factory when certified engineering drawings are required. Dimensions shown are not suitable for construction or modifications. |
![]() |

For use with MS, MSAA, and MSA series steel case meters. Installed with FS, FSAA, and FSA steel series strainers.
•Working Pressure = 150 PSI, 275 PSI and 300 PSI PSI (Three products are available) •Typical products are Refined Fuels and Light Hydrocarbons
NOTE: Consult the factory when certified engineering drawings are required. Dimensions shown are not suitable for construction or modifications.
|
![]() |

For use with aluminum M or MS series meters.
Choices of 3, 4, 6 and 8 inch ANSI flanged connections. Offered in single-head, dual-head, and single-head with optical sensor models to provide high-venting capacity for metering into storage systems.
|
•Working Pressure = 150 PSI •Typical products are Refined Fuels •Optical Sensor - Power Input: +10 to +28VDC, 0.5A maximum
NOTE: Consult the factory when certified engineering drawings are required. Dimensions shown are not suitable for construction or modifications. |

For use with filter/separators.
•Working Pressure = 150 PSI •Typical products are Aviation Fuels
NOTE: Consult the factory when certified engineering drawings are required. Dimensions shown are not suitable for construction or modifications.
|
![]() |
