Dimensions - Panel Mount

<< Click to Display Table of Contents >>

Navigation:  MASTERLOAD.iQ Product Manual >

Dimensions - Panel Mount

FRONT VIEW

 

masterloadx_iq_2

 

BACK VIEW

 

masterloadx_iq_3

 

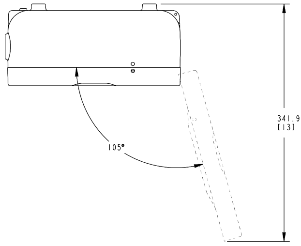
SIDE VIEW

masterloadx_iq_4

 

TOP VIEW

masterloadx_iq_5

 

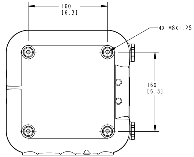
BOTTOM VIEW

masterloadx_iq_6